Bomba Vertical Multicelular CDLF
A série CDLF é composta por bombas centrífugas multicelulares verticais com design in-line. Esta construção permite a instalação da bomba num sistema de tubagem horizontal onde os bocais de aspiração e compressão estão no mesmo nível e têm o mesmo tamanho de ligação.
Estas bombas são versáteis e robustas, sendo amplamente utilizadas em sistemas de abastecimento de água, pressurização industrial, transporte de líquidos industriais, tratamento de águas, irrigação e alimentação de caldeiras.
Aplicações
- Processos industriais e transferência de líquidos.
- Sistemas de pressurização hidráulica
- Tratamento de águas
- Irrigação agrícola
- Sistemas de circulação de água
- Sistemas de lavagem e limpeza
- Alimentação de caldeiras
Dados Técnicos
Especificações Técnicas
| Tipo | Bomba centrífuga multicelular |
|---|---|
| Standard | In-line / DIN |
| Material | Aço Inoxidável (AISI 304) / Ferro Fundido (Base) |
| Tensão | 220-240V (1~) / 380-415V (3~) |
| Caudal Máximo | 240 m³/h |
| Altura Máxima | 305 m |
| Proteção | IP 55 |
| Isolamento | Classe F |
| Temp. do líquido | -15°C a +120°C |
| Pressão Máxima | 30 bar / PN30 |
Aplicações
- Processos industriais e transferência de líquidos.
- Sistemas de pressurização hidráulica
- Tratamento de águas
- Irrigação agrícola
- Sistemas de circulação de água
- Sistemas de lavagem e limpeza
- Alimentação de caldeiras
Detalhes Técnicos
| Velocidade Nominal | 2900 rpm |
|---|---|
| Normas | CE / ISO 9906 |
| Selo Mecânico | ALLOY/SIC/NBR (Cartridge) |
| Rendimento do Motor | IE3 (Alta Eficiência) |
| Código de Ligação | F (Flange DIN) |
Dimensões
Nota: Clique nas linhas da tabela para as destacar e comparar modelos.
| Modelo | B1 (mm) | B (mm) | D1 (mm) | D2 (mm) | NW (kg) |
|---|---|---|---|---|---|
| CDLF 32-10-1 | 505 | 795 | 190 | 155 | 64 |
| CDLF 32-20 | 575 | 930 | 230 | 188 | 85 |
| CDLF 32-40 | 715 | 1105 | 260 | 208 | 109 |
| CDLF 32-60 | 960 | 1460 | 330 | 255 | 185 |
| CDLF 32-100 | 1240 | 1790 | 330 | 255 | 227 |
| CDLF 32-130 | 1450 | 2100 | 400 | 310 | 337 |
| CDLF 32-160 | 1660 | 2310 | 400 | 310 | 350 |
| CDLF 45-10-1 | 561 | 906 | 197 | 165 | 83 |
| CDLF 45-20 | 641 | 1031 | 260 | 208 | 110 |
| CDLF 45-40 | 906 | 1406 | 330 | 255 | 197 |
| CDLF 45-60 | 1066 | 1641 | 360 | 285 | 261 |
| CDLF 45-90 | 1306 | 1956 | 400 | 310 | 352 |
| CDLF 45-110 | 1466 | 2151 | 450 | 345 | 426 |
| CDLF 45-130-2 | 1626 | 2311 | 450 | 345 | 438 |
| CDLF 64-10-1 | 561 | 916 | 230 | 188 | 93 |
| CDLF 64-20 | 754 | 1254 | 330 | 255 | 182 |
| CDLF 64-40 | 919 | 1494 | 360 | 285 | 258 |
| CDLF 64-60 | 1084 | 1734 | 400 | 310 | 349 |
| CDLF 64-80-1 | 1248 | 1933 | 460 | 340 | 424 |
| CDLF 90-10-1 | 571 | 961 | 260 | 208 | 105 |
| CDLF 90-20 | 773 | 1273 | 330 | 255 | 192 |
| CDLF 90-40 | 957 | 1607 | 400 | 310 | 312 |
| CDLF 90-60 | 1141 | 1826 | 460 | 340 | 407 |
| CDLF 120-10 | 840 | 1340 | 330 | 255 | 230 |
| CDLF 120-30 | 1160 | 1810 | 400 | 310 | 360 |
| CDLF 120-50 | 1510 | 2270 | 540 | 370 | 575 |
| CDLF 120-70 | 1830 | 2675 | 580 | 410 | 715 |
| CDLF 150-10-1 | 840 | 1340 | 330 | 255 | 230 |
| CDLF 150-30 | 1160 | 1810 | 400 | 310 | 360 |
| CDLF 150-60 | 1670 | 2515 | 580 | 410 | 700 |
| CDLF 200-10-B | 907 | 1457 | 330 | 255 | 311 |
| CDLF 200-20 | 1131 | 1891 | 540 | 370 | 595 |
| CDLF 200-40 | 1519 | 2659 | 645 | 550 | 1180 |
Flange
Nota: Clique nas linhas da tabela para as destacar e comparar modelos.
| Série | DN | a (mm) | b (mm) | c (mm) | d (mm) |
|---|---|---|---|---|---|
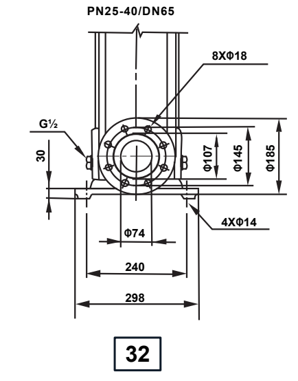
| CDLF 32 | 65 | 105 | 170 | 225 | 320 |
| CDLF 45 | 80 | 140 | 190 | 245 | 365 |
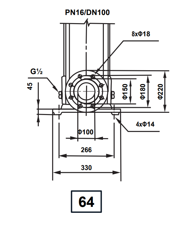
| CDLF 64 | 100 | 140 | 190 | 245 | 365 |
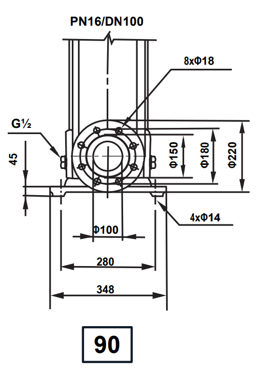
| CDLF 90 | 100 | 140 | 199 | 255 | 380 |
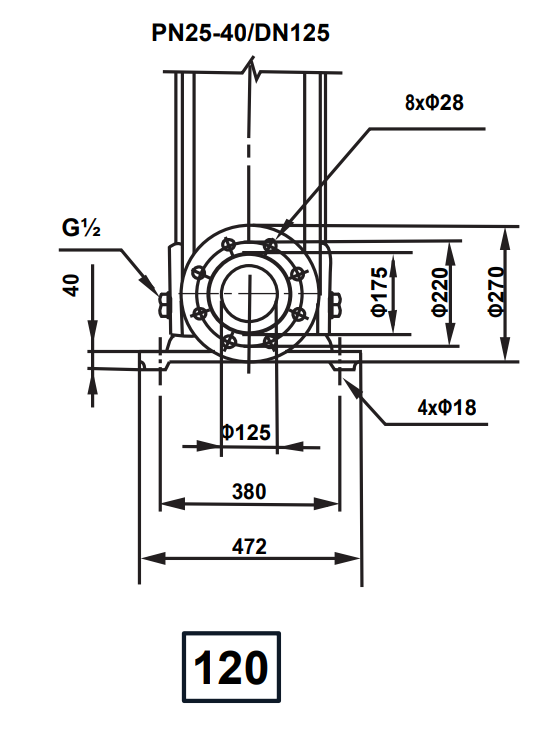
| CDLF 120 | 125 | 180 | 275 | 340 | 380 |
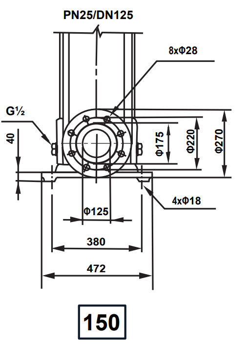
| CDLF 150 | 125 | 180 | 275 | 340 | 380 |
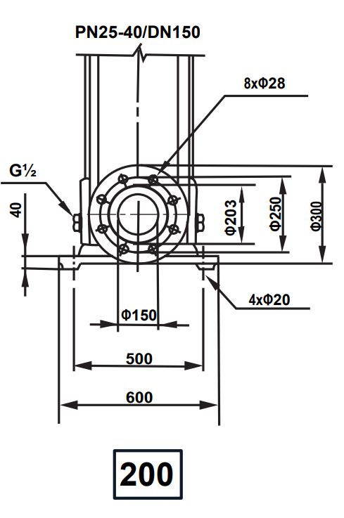
| CDLF 200 | 150 | 200 | 385 | 460 | 490 |
Esquema Flange CDLF 32
Esquema Flange CDLF 45
Esquema Flange CDLF 64
Esquema Flange CDLF 90
Esquema Flange CDLF 120
Esquema Flange CDLF 150
Esquema Flange CDLF 200
Série CDLF 32 (3~ 400V) (Q - Hm)
Nota: Clique nas linhas da tabela para as destacar e comparar modelos.
| Modelo | Detalhes do Motor | Caudal Q | |||||||||||||
|---|---|---|---|---|---|---|---|---|---|---|---|---|---|---|---|
| kW | CV | A (400V) | Ef. Energ. | m³/h | 16 | 18 | 20 | 22 | 24 | 26 | 28 | 32 | 36 | 40 | |
| CDLF 32-10-1 | 1,50 | 2,00 | 3,20 | IE3 |
Hm (m)
|
14,0 | 14,0 | 13,0 | 13,0 | 12,0 | 12,0 | 11,0 | 9,0 | 7,0 | 4,0 |
| CDLF 32-10 | 2,20 | 3,00 | 4,60 | IE3 | 18,0 | 18,0 | 17,0 | 16,0 | 15,0 | 15,0 | 14,0 | 13,0 | 11,0 | 8,0 | |
| CDLF 32-20-2 | 3,00 | 4,00 | 6,00 | IE3 | 29,0 | 29,0 | 28,0 | 27,0 | 26,0 | 25,0 | 23,0 | 20,0 | 16,0 | 11,0 | |
| CDLF 32-20 | 4,00 | 5,50 | 7,80 | IE3 | 36,0 | 35,0 | 34,0 | 33,0 | 32,0 | 31,0 | 29,0 | 27,0 | 23,0 | 18,0 | |
| CDLF 32-30-2 | 5,50 | 7,50 | 11,00 | IE3 | 47,0 | 46,0 | 44,0 | 43,0 | 41,0 | 40,0 | 38,0 | 33,0 | 28,0 | 21,0 | |
| CDLF 32-30 | 5,50 | 7,50 | 11,00 | IE3 | 54,0 | 53,0 | 51,0 | 50,0 | 48,0 | 46,0 | 44,0 | 40,0 | 35,0 | 27,0 | |
| CDLF 32-40-2 | 7,50 | 10,00 | 14,00 | IE3 | 65,0 | 64,0 | 62,0 | 60,0 | 58,0 | 56,0 | 53,0 | 46,0 | 40,0 | 30,0 | |
| CDLF 32-40 | 7,50 | 10,00 | 14,00 | IE3 | 72,0 | 71,0 | 69,0 | 67,0 | 65,0 | 62,0 | 59,0 | 53,0 | 47,0 | 37,0 | |
| CDLF 32-50-2 | 11,00 | 15,00 | 21,00 | IE3 | 83,0 | 81,0 | 79,0 | 77,0 | 74,0 | 71,0 | 68,0 | 60,0 | 52,0 | 41,0 | |
| CDLF 32-50 | 11,00 | 15,00 | 21,00 | IE3 | 90,0 | 88,0 | 86,0 | 84,0 | 81,0 | 78,0 | 74,0 | 67,0 | 59,0 | 47,0 | |
| CDLF 32-60-2 | 11,00 | 15,00 | 21,00 | IE3 | 101,0 | 99,0 | 97,0 | 94,0 | 90,0 | 87,0 | 83,0 | 74,0 | 65,0 | 51,0 | |
| CDLF 32-60 | 11,00 | 15,00 | 21,00 | IE3 | 108,0 | 106,0 | 104,0 | 101,0 | 97,0 | 94,0 | 90,0 | 81,0 | 72,0 | 57,0 | |
| CDLF 32-70-2 | 15,00 | 20,00 | 28,00 | IE3 | 119,0 | 117,0 | 114,0 | 111,0 | 107,0 | 103,0 | 98,0 | 88,0 | 78,0 | 60,0 | |
| CDLF 32-70 | 15,00 | 20,00 | 28,00 | IE3 | 126,0 | 124,0 | 121,0 | 117,0 | 113,0 | 109,0 | 105,0 | 95,0 | 85,0 | 67,0 | |
| CDLF 32-80-2 | 15,00 | 20,00 | 28,00 | IE3 | 136,0 | 134,0 | 131,0 | 127,0 | 123,0 | 119,0 | 114,0 | 102,0 | 90,0 | 71,0 | |
| CDLF 32-80 | 15,00 | 20,00 | 28,00 | IE3 | 144,0 | 141,0 | 138,0 | 134,0 | 130,0 | 125,0 | 120,0 | 109,0 | 97,0 | 77,0 | |
| CDLF 32-90-2 | 19,00 | 25,00 | 34,00 | IE3 | 154,0 | 151,0 | 148,0 | 144,0 | 140,0 | 135,0 | 129,0 | 117,0 | 102,0 | 82,0 | |
| CDLF 32-90 | 19,00 | 25,00 | 34,00 | IE3 | 162,0 | 159,0 | 156,0 | 152,0 | 147,0 | 142,0 | 136,0 | 124,0 | 109,0 | 88,0 | |
| CDLF 32-100-2 | 19,00 | 25,00 | 34,00 | IE3 | 175,0 | 171,0 | 166,0 | 162,0 | 157,0 | 152,0 | 146,0 | 131,0 | 115,0 | 91,0 | |
| CDLF 32-100 | 19,00 | 25,00 | 34,00 | IE3 | 182,0 | 178,0 | 173,0 | 169,0 | 164,0 | 158,0 | 152,0 | 138,0 | 122,0 | 98,0 | |
| CDLF 32-110-2 | 22,00 | 30,00 | 41,00 | IE3 | 193,0 | 189,0 | 184,0 | 179,0 | 173,0 | 169,0 | 164,0 | 146,0 | 128,0 | 102,0 | |
| CDLF 32-110 | 22,00 | 30,00 | 41,00 | IE3 | 200,0 | 196,0 | 191,0 | 186,0 | 180,0 | 174,0 | 168,0 | 153,0 | 135,0 | 109,0 | |
| CDLF 32-120-2 | 22,00 | 30,00 | 41,00 | IE3 | 211,0 | 206,0 | 201,0 | 195,0 | 189,0 | 184,0 | 178,0 | 160,0 | 140,0 | 113,0 | |
| CDLF 32-120 | 22,00 | 30,00 | 41,00 | IE3 | 218,0 | 213,0 | 208,0 | 202,0 | 196,0 | 190,0 | 184,0 | 167,0 | 147,0 | 120,0 | |
| CDLF 32-130-2 | 30,00 | 40,00 | 55,00 | IE3 | 230,0 | 224,0 | 218,0 | 212,0 | 206,0 | 200,0 | 193,0 | 174,0 | 153,0 | 124,0 | |
| CDLF 32-130 | 30,00 | 40,00 | 55,00 | IE3 | 237,0 | 231,0 | 225,0 | 219,0 | 213,0 | 207,0 | 200,0 | 181,0 | 160,0 | 131,0 | |
| CDLF 32-140-2 | 30,00 | 40,00 | 55,00 | IE3 | 247,0 | 241,0 | 235,0 | 229,0 | 222,0 | 216,0 | 210,0 | 189,0 | 165,0 | 135,0 | |
| CDLF 32-140 | 30,00 | 40,00 | 55,00 | IE3 | 255,0 | 249,0 | 242,0 | 236,0 | 229,0 | 223,0 | 216,0 | 196,0 | 172,0 | 142,0 | |
| CDLF 32-150-2 | 30,00 | 40,00 | 54,90 | IE3 | 266,0 | 260,0 | 253,0 | 246,0 | 239,0 | 232,0 | 224,0 | 203,0 | 178,0 | 145,0 | |
| CDLF 32-150 | 30,00 | 40,00 | 54,90 | IE3 | 274,0 | 267,0 | 260,0 | 253,0 | 246,0 | 239,0 | 231,0 | 210,0 | 185,0 | 152,0 | |
| CDLF 32-160-2 | 30,00 | 40,00 | 54,90 | IE3 | 284,0 | 277,0 | 270,0 | 263,0 | 255,0 | 248,0 | 240,0 | 218,0 | 190,0 | 156,0 | |
| CDLF 32-160 | 30,00 | 40,00 | 54,90 | IE3 | 292,0 | 285,0 | 277,0 | 270,0 | 262,0 | 254,0 | 246,0 | 225,0 | 197,0 | 163,0 | |
Série CDLF 45 (3~ 400V) (Q - Hm)
Nota: Clique nas linhas da tabela para as destacar e comparar modelos.
| Modelo | Detalhes do Motor | Caudal Q | |||||||||||
|---|---|---|---|---|---|---|---|---|---|---|---|---|---|
| kW | CV | A (400V) | Ef. Energ. | m³/h | 25 | 30 | 35 | 40 | 42 | 45 | 50 | 55 | |
| CDLF 45-10-1 | 3,00 | 4,00 | 6,00 | IE3 |
Hm (m)
|
20,0 | 19,0 | 18,0 | 17,0 | 16,0 | 15,0 | 13,0 | 11,0 |
| CDLF 45-10 | 4,00 | 5,50 | 7,80 | IE3 | 24,0 | 23,0 | 22,0 | 21,0 | 20,0 | 19,0 | 18,0 | 16,0 | |
| CDLF 45-20-2 | 5,50 | 7,50 | 10,60 | IE3 | 40,0 | 38,0 | 36,0 | 33,0 | 32,0 | 30,0 | 27,0 | 23,0 | |
| CDLF 45-20 | 7,50 | 10,00 | 14,40 | IE3 | 48,0 | 46,0 | 44,0 | 42,0 | 41,0 | 39,0 | 35,0 | 31,0 | |
| CDLF 45-30-2 | 11,00 | 15,00 | 20,60 | IE3 | 63,0 | 61,0 | 58,0 | 54,0 | 52,0 | 50,0 | 44,0 | 38,0 | |
| CDLF 45-30 | 11,00 | 15,00 | 20,60 | IE3 | 71,0 | 69,0 | 66,0 | 63,0 | 61,0 | 58,0 | 53,0 | 47,0 | |
| CDLF 45-40-2 | 15,00 | 20,00 | 27,90 | IE3 | 87,0 | 84,0 | 80,0 | 75,0 | 73,0 | 69,0 | 62,0 | 54,0 | |
| CDLF 45-40 | 15,00 | 20,00 | 27,90 | IE3 | 95,0 | 92,0 | 88,0 | 84,0 | 81,0 | 78,0 | 71,0 | 62,0 | |
| CDLF 45-50-2 | 18,50 | 25,00 | 34,20 | IE3 | 111,0 | 107,0 | 102,0 | 96,0 | 93,0 | 88,0 | 80,0 | 69,0 | |
| CDLF 45-50 | 18,50 | 25,00 | 34,20 | IE3 | 119,0 | 115,0 | 110,0 | 105,0 | 101,0 | 97,0 | 88,0 | 78,0 | |
| CDLF 45-60-2 | 22,00 | 30,00 | 40,50 | IE3 | 135,0 | 130,0 | 124,0 | 117,0 | 113,0 | 108,0 | 97,0 | 85,0 | |
| CDLF 45-60 | 22,00 | 30,00 | 40,50 | IE3 | 143,0 | 138,0 | 132,0 | 125,0 | 122,0 | 116,0 | 106,0 | 93,0 | |
| CDLF 45-70-2 | 30,00 | 40,00 | 54,90 | IE3 | 158,0 | 152,0 | 146,0 | 138,0 | 134,0 | 127,0 | 115,0 | 100,0 | |
| CDLF 45-70 | 30,00 | 40,00 | 54,90 | IE3 | 166,0 | 161,0 | 154,0 | 146,0 | 142,0 | 135,0 | 124,0 | 109,0 | |
| CDLF 45-80-2 | 30,00 | 40,00 | 54,90 | IE3 | 182,0 | 175,0 | 168,0 | 159,0 | 154,0 | 146,0 | 133,0 | 116,0 | |
| CDLF 45-80 | 30,00 | 40,00 | 54,90 | IE3 | 190,0 | 184,0 | 176,0 | 167,0 | 162,0 | 154,0 | 141,0 | 124,0 | |
| CDLF 45-90-2 | 30,00 | 40,00 | 54,90 | IE3 | 205,0 | 198,0 | 190,0 | 180,0 | 174,0 | 166,0 | 150,0 | 132,0 | |
| CDLF 45-90 | 37,00 | 50,00 | 67,40 | IE3 | 214,0 | 207,0 | 198,0 | 188,0 | 183,0 | 174,0 | 159,0 | 140,0 | |
| CDLF 45-100-2 | 37,00 | 50,00 | 67,40 | IE3 | 230,0 | 221,0 | 212,0 | 200,0 | 194,0 | 185,0 | 168,0 | 147,0 | |
| CDLF 45-100 | 37,00 | 50,00 | 67,40 | IE3 | 238,0 | 230,0 | 220,0 | 209,0 | 203,0 | 193,0 | 177,0 | 155,0 | |
| CDLF 45-110-2 | 45,00 | 60,00 | 80,80 | IE3 | 255,0 | 246,0 | 236,0 | 223,0 | 217,0 | 206,0 | 188,0 | 165,0 | |
| CDLF 45-110 | 45,00 | 60,00 | 80,80 | IE3 | 263,0 | 255,0 | 244,0 | 232,0 | 225,0 | 214,0 | 196,0 | 173,0 | |
| CDLF 45-120-2 | 45,00 | 60,00 | 80,80 | IE3 | 280,0 | 270,0 | 259,0 | 245,0 | 238,0 | 226,0 | 206,0 | 181,0 | |
| CDLF 45-120 | 45,00 | 60,00 | 80,80 | IE3 | 289,0 | 280,0 | 268,0 | 255,0 | 247,0 | 236,0 | 216,0 | 190,0 | |
| CDLF 45-130-2 | 45,00 | 60,00 | 80,80 | IE3 | 305,0 | 294,0 | 282,0 | 267,0 | 259,0 | 247,0 | 225,0 | 198,0 | |
Série CDLF 64 (3~ 400V) (Q - Hm)
Nota: Clique nas linhas da tabela para as destacar e comparar modelos.
| Modelo | Detalhes do Motor | Caudal Q | |||||||||||||
|---|---|---|---|---|---|---|---|---|---|---|---|---|---|---|---|
| kW | CV | A (400V) | Ef. Energ. | m³/h | 30 | 35 | 40 | 45 | 50 | 55 | 60 | 65 | 70 | 80 | |
| CDLF64-10-1 | 4,00 | 5,50 | 7,80 | IE3 |
Hm (m)
|
19,0 | 19,0 | 18,0 | 17,0 | 16,0 | 15,0 | 14,0 | 13,0 | 11,0 | 8,0 |
| CDLF64-10 | 5,50 | 7,50 | 10,60 | IE3 | 27,0 | 26,0 | 25,0 | 24,0 | 23,0 | 22,0 | 21,0 | 20,0 | 18,0 | 15,0 | |
| CDLF64-20-2 | 7,50 | 10,00 | 14,40 | IE3 | 39,0 | 38,0 | 36,0 | 35,0 | 33,0 | 31,0 | 29,0 | 26,0 | 23,0 | 17,0 | |
| CDLF64-20-1 | 11,00 | 15,00 | 20,60 | IE3 | 46,0 | 45,0 | 44,0 | 42,0 | 40,0 | 38,0 | 36,0 | 33,0 | 30,0 | 24,0 | |
| CDLF64-20 | 11,00 | 15,00 | 20,60 | IE3 | 53,0 | 52,0 | 51,0 | 49,0 | 47,0 | 45,0 | 43,0 | 40,0 | 37,0 | 30,0 | |
| CDLF64-30-2 | 15,00 | 20,00 | 27,90 | IE3 | 66,0 | 64,0 | 62,0 | 59,0 | 56,0 | 53,0 | 50,0 | 46,0 | 41,0 | 32,0 | |
| CDLF64-30-1 | 15,00 | 20,00 | 27,90 | IE3 | 73,0 | 71,0 | 69,0 | 66,0 | 63,0 | 60,0 | 57,0 | 53,0 | 48,0 | 39,0 | |
| CDLF64-30 | 18,50 | 25,00 | 34,20 | IE3 | 80,0 | 78,0 | 76,0 | 73,0 | 70,0 | 67,0 | 64,0 | 60,0 | 55,0 | 46,0 | |
| CDLF64-40-2 | 18,50 | 25,00 | 34,20 | IE3 | 92,0 | 90,0 | 87,0 | 84,0 | 80,0 | 76,0 | 71,0 | 66,0 | 60,0 | 47,0 | |
| CDLF64-40-1 | 22,00 | 30,00 | 40,50 | IE3 | 100,0 | 97,0 | 94,0 | 91,0 | 87,0 | 83,0 | 78,0 | 73,0 | 67,0 | 54,0 | |
| CDLF64-40 | 22,00 | 30,00 | 40,50 | IE3 | 107,0 | 104,0 | 101,0 | 98,0 | 94,0 | 90,0 | 85,0 | 80,0 | 74,0 | 61,0 | |
| CDLF64-50-2 | 30,00 | 40,00 | 54,90 | IE3 | 121,0 | 118,0 | 114,0 | 110,0 | 105,0 | 100,0 | 95,0 | 88,0 | 80,0 | 64,0 | |
| CDLF64-50-1 | 30,00 | 40,00 | 54,90 | IE3 | 128,0 | 125,0 | 121,0 | 117,0 | 112,0 | 107,0 | 102,0 | 95,0 | 87,0 | 71,0 | |
| CDLF64-50 | 30,00 | 40,00 | 54,90 | IE3 | 136,0 | 133,0 | 129,0 | 124,0 | 119,0 | 114,0 | 109,0 | 102,0 | 94,0 | 78,0 | |
| CDLF64-60-2 | 30,00 | 40,00 | 54,90 | IE3 | 150,0 | 146,0 | 142,0 | 137,0 | 131,0 | 125,0 | 118,0 | 110,0 | 101,0 | 81,0 | |
| CDLF64-60-1 | 37,00 | 50,00 | 67,40 | IE3 | 157,0 | 153,0 | 149,0 | 144,0 | 138,0 | 132,0 | 125,0 | 117,0 | 108,0 | 88,0 | |
| CDLF64-60 | 37,00 | 50,00 | 67,40 | IE3 | 164,0 | 160,0 | 156,0 | 151,0 | 145,0 | 139,0 | 132,0 | 124,0 | 115,0 | 95,0 | |
| CDLF64-70-2 | 37,00 | 50,00 | 67,40 | IE3 | 179,0 | 174,0 | 169,0 | 163,0 | 156,0 | 149,0 | 141,0 | 132,0 | 121,0 | 99,0 | |
| CDLF64-70-1 | 37,00 | 50,00 | 67,40 | IE3 | 186,0 | 181,0 | 176,0 | 170,0 | 163,0 | 156,0 | 148,0 | 139,0 | 128,0 | 106,0 | |
| CDLF64-70 | 45,00 | 60,00 | 80,80 | IE3 | 193,0 | 188,0 | 183,0 | 177,0 | 170,0 | 163,0 | 155,0 | 146,0 | 135,0 | 112,0 | |
| CDLF64-80-2 | 45,00 | 60,00 | 80,80 | IE3 | 207,0 | 202,0 | 196,0 | 189,0 | 182,0 | 173,0 | 164,0 | 154,0 | 142,0 | 116,0 | |
| CDLF64-80-1 | 45,00 | 60,00 | 80,80 | IE3 | 215,0 | 209,0 | 203,0 | 196,0 | 189,0 | 180,0 | 171,0 | 161,0 | 149,0 | 123,0 | |
Série CDLF 90 (3~ 400V) (Q - Hm)
Nota: Clique nas linhas da tabela para as destacar e comparar modelos.
| Modelo | Detalhes do Motor | Caudal Q | |||||||||||||
|---|---|---|---|---|---|---|---|---|---|---|---|---|---|---|---|
| kW | CV | A (400V) | Ef. Energ. | m³/h | 50 | 55 | 60 | 65 | 70 | 80 | 85 | 90 | 100 | 110 | |
| CDLF90-10-1 | 5,50 | 7,50 | 10,60 | IE3 |
Hm (m)
|
22,0 | 21,0 | 19,0 | 18,0 | 17,0 | 16,0 | 14,0 | 13,0 | 10,0 | 6,0 |
| CDLF90-10 | 7,50 | 10,00 | 14,40 | IE3 | 25,0 | 25,0 | 24,0 | 23,0 | 22,0 | 21,0 | 20,0 | 19,0 | 16,0 | 12,0 | |
| CDLF90-20-2 | 11,00 | 15,00 | 20,60 | IE3 | 41,0 | 40,0 | 39,0 | 38,0 | 36,0 | 32,0 | 30,0 | 28,0 | 22,0 | 15,0 | |
| CDLF90-20 | 15,00 | 20,00 | 27,90 | IE3 | 53,0 | 52,0 | 50,0 | 49,0 | 47,0 | 44,0 | 41,0 | 40,0 | 36,0 | 30,0 | |
| CDLF90-30-2 | 18,50 | 25,00 | 34,20 | IE3 | 68,0 | 67,0 | 65,0 | 63,0 | 60,0 | 55,0 | 52,0 | 49,0 | 41,0 | 32,0 | |
| CDLF90-30 | 22,00 | 30,00 | 40,50 | IE3 | 81,0 | 79,0 | 77,0 | 75,0 | 72,0 | 67,0 | 64,0 | 62,0 | 55,0 | 48,0 | |
| CDLF90-40-2 | 30,00 | 40,00 | 54,90 | IE3 | 98,0 | 96,0 | 93,0 | 90,0 | 87,0 | 80,0 | 75,0 | 72,0 | 62,0 | 50,0 | |
| CDLF90-40 | 30,00 | 40,00 | 54,90 | IE3 | 110,0 | 108,0 | 105,0 | 103,0 | 100,0 | 92,0 | 86,0 | 84,0 | 76,0 | 66,0 | |
| CDLF90-50-2 | 37,00 | 50,00 | 67,40 | IE3 | 126,0 | 123,0 | 120,0 | 117,0 | 113,0 | 104,0 | 98,0 | 93,0 | 81,0 | 68,0 | |
| CDLF90-50 | 37,00 | 50,00 | 67,40 | IE3 | 139,0 | 135,0 | 131,0 | 128,0 | 124,0 | 115,0 | 110,0 | 106,0 | 94,0 | 83,0 | |
| CDLF90-60-2 | 45,00 | 60,00 | 80,80 | IE3 | 155,0 | 152,0 | 148,0 | 144,0 | 139,0 | 129,0 | 122,0 | 117,0 | 102,0 | 86,0 | |
| CDLF90-60 | 45,00 | 60,00 | 80,80 | IE3 | 168,0 | 164,0 | 160,0 | 155,0 | 150,0 | 141,0 | 134,0 | 130,0 | 117,0 | 103,0 | |
Série CDLF 120 (3~ 400V) (Q - Hm)
Nota: Clique nas linhas da tabela para as destacar e comparar modelos.
| Modelo | Detalhes do Motor | Caudal Q | |||||||||||||
|---|---|---|---|---|---|---|---|---|---|---|---|---|---|---|---|
| kW | CV | A (400V) | Ef. Energ. | m³/h | 60 | 70 | 80 | 90 | 100 | 110 | 120 | 130 | 140 | 150 | |
| CDLF120-10 | 11,00 | 15,00 | 20,60 | IE3 |
Hm (m)
|
22,0 | 21,8 | 21,6 | 21,0 | 20,5 | 19,5 | 18,5 | 17,0 | 16,0 | 15,0 |
| CDLF120-20-2 | 15,00 | 20,00 | 27,90 | IE3 | 34,0 | 33,6 | 33,0 | 31,0 | 30,2 | 30,0 | 28,5 | 27,0 | 25,0 | 24,0 | |
| CDLF120-20-1 | 18,50 | 25,00 | 34,20 | IE3 | 41,0 | 40,0 | 39,5 | 38,5 | 37,0 | 36,5 | 34,5 | 32,5 | 30,0 | 27,5 | |
| CDLF120-20 | 22,00 | 30,00 | 40,50 | IE3 | 46,0 | 45,0 | 44,5 | 43,5 | 42,4 | 41,0 | 40,0 | 38,0 | 36,0 | 33,5 | |
| CDLF120-30-2 | 30,00 | 40,00 | 54,90 | IE3 | 57,0 | 56,0 | 55,0 | 53,5 | 52,0 | 51,0 | 49,0 | 46,5 | 43,5 | 41,0 | |
| CDLF120-30-1 | 30,00 | 40,00 | 54,90 | IE3 | 64,0 | 63,0 | 62,0 | 60,0 | 58,5 | 57,5 | 55,5 | 52,0 | 49,0 | 46,0 | |
| CDLF120-30 | 30,00 | 40,00 | 54,90 | IE3 | 69,5 | 68,5 | 67,5 | 66,0 | 64,4 | 62,5 | 61,0 | 57,5 | 54,5 | 51,0 | |
| CDLF120-40-2 | 37,00 | 50,00 | 67,40 | IE3 | 80,5 | 79,0 | 78,0 | 76,0 | 73,5 | 72,0 | 69,0 | 66,0 | 61,5 | 58,0 | |
| CDLF120-40-1 | 37,00 | 50,00 | 67,40 | IE3 | 87,0 | 86,0 | 84,5 | 82,0 | 80,0 | 78,0 | 76,0 | 72,0 | 68,0 | 64,5 | |
| CDLF120-40 | 45,00 | 60,00 | 80,80 | IE3 | 92,5 | 91,0 | 90,0 | 88,0 | 85,5 | 83,0 | 81,0 | 77,0 | 73,0 | 68,5 | |
| CDLF120-50-2 | 45,00 | 60,00 | 80,80 | IE3 | 104,5 | 103,0 | 101,0 | 99,0 | 96,0 | 93,0 | 90,0 | 85,5 | 80,5 | 75,5 | |
| CDLF120-50-1 | 45,00 | 60,00 | 80,80 | IE3 | 110,5 | 109,0 | 107,5 | 105,0 | 102,0 | 100,0 | 97,0 | 92,0 | 86,5 | 83,0 | |
| CDLF120-50 | 55,00 | 75,00 | 98,50 | IE3 | 115,5 | 114,0 | 113,0 | 110,0 | 107,5 | 104,5 | 101,5 | 96,0 | 91,0 | 86,0 | |
| CDLF120-60-2 | 55,00 | 75,00 | 98,50 | IE3 | 128,0 | 125,5 | 123,0 | 121,0 | 117,3 | 113,5 | 110,0 | 104,5 | 98,5 | 92,5 | |
| CDLF120-60-1 | 55,00 | 75,00 | 98,50 | IE3 | 134,0 | 132,0 | 130,5 | 127,0 | 124,0 | 121,0 | 118,0 | 111,0 | 105,0 | 100,0 | |
| CDLF120-60 | 75,00 | 100,00 | 133,70 | IE3 | 139,0 | 137,0 | 135,0 | 132,0 | 128,8 | 126,0 | 123,0 | 116,0 | 110,0 | 104,0 | |
| CDLF120-70-2 | 75,00 | 100,00 | 133,70 | IE3 | 151,0 | 148,0 | 145,5 | 143,0 | 138,6 | 134,0 | 130,0 | 123,5 | 116,5 | 109,0 | |
| CDLF120-70-1 | 75,00 | 100,00 | 133,70 | IE3 | 156,5 | 154,0 | 152,0 | 148,5 | 144,5 | 141,0 | 137,5 | 130,0 | 123,0 | 116,5 | |
| CDLF120-70 | 75,00 | 100,00 | 133,70 | IE3 | 162,5 | 160,5 | 158,5 | 155,0 | 151,0 | 148,0 | 145,0 | 137,0 | 129,0 | 123,0 | |
Série CDLF 150 (3~ 400V) (Q - Hm)
Nota: Clique nas linhas da tabela para as destacar e comparar modelos.
| Modelo | Detalhes do Motor | Caudal Q | |||||||||||||
|---|---|---|---|---|---|---|---|---|---|---|---|---|---|---|---|
| kW | CV | A (400V) | Ef. Energ. | m³/h | 80 | 100 | 110 | 120 | 130 | 140 | 150 | 160 | 170 | 180 | |
| CDLF150-10-1 | 11,00 | 15,00 | 20,60 | IE3 |
Hm (m)
|
18,3 | 17,3 | 17,0 | 16,0 | 15,0 | 14,0 | 12,5 | 11,0 | 10,0 | 8,5 |
| CDLF150-10 | 15,00 | 20,00 | 27,90 | IE3 | 24,0 | 22,5 | 22,0 | 21,5 | 20,5 | 20,0 | 18,5 | 17,0 | 16,0 | 15,0 | |
| CDLF150-20-2 | 18,50 | 25,00 | 34,20 | IE3 | 37,0 | 34,0 | 33,0 | 32,0 | 31,0 | 29,0 | 27,5 | 26,0 | 23,0 | 21,0 | |
| CDLF150-20-1 | 22,00 | 30,00 | 40,50 | IE3 | 44,3 | 42,0 | 40,0 | 39,0 | 38,5 | 37,5 | 35,0 | 33,0 | 30,0 | 27,0 | |
| CDLF150-20 | 30,00 | 40,00 | 54,90 | IE3 | 50,0 | 48,0 | 47,0 | 45,5 | 44,0 | 42,0 | 40,0 | 37,0 | 34,0 | 32,0 | |
| CDLF150-30-2 | 30,00 | 40,00 | 54,90 | IE3 | 63,5 | 59,0 | 57,5 | 56,0 | 54,5 | 53,0 | 49,0 | 45,5 | 42,0 | 39,0 | |
| CDLF150-30-1 | 37,00 | 50,00 | 67,40 | IE3 | 70,0 | 67,0 | 65,0 | 63,0 | 62,0 | 60,0 | 56,0 | 53,0 | 49,0 | 45,0 | |
| CDLF150-30 | 37,00 | 50,00 | 67,40 | IE3 | 78,0 | 75,0 | 73,0 | 70,5 | 68,0 | 66,0 | 63,0 | 59,0 | 55,0 | 50,5 | |
| CDLF150-40-2 | 45,00 | 60,00 | 80,80 | IE3 | 89,0 | 84,0 | 81,5 | 79,0 | 77,0 | 74,5 | 70,5 | 65,5 | 60,0 | 56,0 | |
| CDLF150-40-1 | 45,00 | 60,00 | 80,80 | IE3 | 96,5 | 91,5 | 89,0 | 86,5 | 84,0 | 81,5 | 77,0 | 72,5 | 67,0 | 62,0 | |
| CDLF150-40 | 55,00 | 75,00 | 98,50 | IE3 | 104,0 | 100,0 | 97,0 | 95,0 | 91,0 | 88,0 | 84,0 | 79,5 | 74,0 | 68,0 | |
| CDLF150-50-2 | 55,00 | 75,00 | 98,50 | IE3 | 115,5 | 109,0 | 106,0 | 102,5 | 100,0 | 97,0 | 92,0 | 86,0 | 79,0 | 73,5 | |
| CDLF150-50-1 | 75,00 | 100,00 | 133,70 | IE3 | 122,5 | 117,0 | 113,5 | 111,5 | 107,5 | 104,5 | 99,0 | 93,5 | 87,0 | 80,0 | |
| CDLF150-50 | 75,00 | 100,00 | 133,70 | IE3 | 130,0 | 125,0 | 121,0 | 119,0 | 115,0 | 111,5 | 106,5 | 101,0 | 94,5 | 86,5 | |
| CDLF150-60-2 | 75,00 | 100,00 | 133,70 | IE3 | 140,0 | 133,0 | 130,0 | 126,0 | 121,0 | 118,0 | 112,0 | 106,0 | 98,0 | 91,0 | |
| CDLF150-60-1 | 75,00 | 100,00 | 133,70 | IE3 | 148,5 | 141,7 | 137,5 | 135,0 | 131,0 | 127,0 | 120,5 | 114,5 | 106,5 | 97,5 | |
| CDLF150-60 | 75,00 | 100,00 | 133,70 | IE3 | 157,0 | 149,0 | 145,0 | 142,0 | 139,5 | 137,0 | 130,0 | 123,5 | 116,0 | 109,0 | |
Série CDLF 200 (3~ 400V) (Q - Hm)
Nota: Clique nas linhas da tabela para as destacar e comparar modelos.
| Modelo | Detalhes do Motor | Caudal Q | |||||||||||||
|---|---|---|---|---|---|---|---|---|---|---|---|---|---|---|---|
| kW | CV | A (400V) | Ef. Energ. | m³/h | 100 | 130 | 140 | 150 | 160 | 170 | 180 | 200 | 220 | 240 | |
| CDLF200-10-B | 18,50 | 25,00 | 34,20 | IE3 |
Hm (m)
|
25,5 | 25,0 | 24,0 | 24,0 | 23,0 | 22,0 | 21,5 | 20,0 | 18,0 | 15,5 |
| CDLF200-10-A | 22,00 | 30,00 | 40,50 | IE3 | 29,0 | 28,0 | 27,5 | 27,0 | 26,5 | 26,0 | 25,5 | 24,0 | 22,0 | 20,0 | |
| CDLF200-10 | 30,00 | 40,00 | 54,90 | IE3 | 38,5 | 38,0 | 37,5 | 37,0 | 36,5 | 36,0 | 35,0 | 34,0 | 32,5 | 30,0 | |
| CDLF200-20-2B | 37,00 | 50,00 | 67,40 | IE3 | 53,0 | 50,0 | 49,0 | 48,0 | 47,0 | 46,0 | 44,0 | 41,0 | 37,0 | 32,0 | |
| CDLF200-20-2A | 45,00 | 60,00 | 80,80 | IE3 | 59,5 | 57,0 | 56,0 | 55,0 | 54,0 | 53,0 | 52,5 | 49,0 | 44,5 | 40,5 | |
| CDLF200-20-A | 55,00 | 75,00 | 98,50 | IE3 | 69,0 | 67,0 | 66,0 | 65,0 | 64,0 | 63,0 | 62,0 | 59,0 | 55,5 | 51,0 | |
| CDLF200-20 | 55,00 | 75,00 | 98,50 | IE3 | 78,5 | 77,0 | 76,0 | 75,0 | 74,0 | 73,0 | 71,5 | 69,0 | 66,0 | 61,5 | |
| CDLF200-30-2B | 75,00 | 100,00 | 133,70 | IE3 | 91,5 | 88,0 | 86,5 | 85,0 | 83,5 | 81,0 | 79,0 | 75,0 | 70,0 | 63,0 | |
| CDLF200-30-A-B | 75,00 | 100,00 | 133,70 | IE3 | 95,0 | 92,0 | 90,0 | 89,0 | 87,0 | 85,0 | 83,5 | 79,0 | 73,5 | 67,0 | |
| CDLF200-30-2A | 75,00 | 100,00 | 133,70 | IE3 | 99,5 | 96,0 | 94,5 | 93,0 | 91,5 | 90,0 | 89,0 | 84,0 | 78,5 | 72,0 | |
| CDLF200-30-B | 75,00 | 100,00 | 133,70 | IE3 | 104,5 | 101,0 | 100,0 | 99,0 | 97,0 | 95,0 | 93,0 | 89,0 | 84,5 | 77,5 | |
| CDLF200-30-A | 75,00 | 100,00 | 133,70 | IE3 | 108,0 | 105,0 | 103,5 | 102,0 | 100,5 | 99,0 | 97,5 | 93,0 | 88,0 | 81,5 | |
| CDLF200-30 | 90,00 | 125,00 | 159,90 | IE3 | 117,5 | 115,0 | 113,5 | 112,0 | 110,5 | 109,0 | 107,0 | 103,0 | 99,0 | 92,0 | |
| CDLF200-40-2B | 90,00 | 125,00 | 159,90 | IE3 | 131,5 | 127,0 | 125,5 | 123,0 | 121,0 | 118,0 | 115,5 | 110,0 | 103,5 | 94,0 | |
| CDLF200-40-2A | 110,00 | 150,00 | 195,10 | IE3 | 138,5 | 134,0 | 132,0 | 130,0 | 128,0 | 126,0 | 124,0 | 118,0 | 111,0 | 102,5 | |
| CDLF200-40-A | 110,00 | 150,00 | 195,10 | IE3 | 148,0 | 144,0 | 142,5 | 140,0 | 138,0 | 136,0 | 134,0 | 128,0 | 122,0 | 113,0 | |
| CDLF200-40 | 110,00 | 150,00 | 195,10 | IE3 | 157,5 | 154,0 | 152,5 | 150,0 | 148,0 | 146,0 | 143,5 | 138,0 | 132,5 | 123,5 | |