Bomba Horizontal Multicelular CHLF
Aplicações
- Ar condicionado e arrefecimento
- Limpeza industrial
- Tratamento de água (purificação)
- Aquacultura
- Sistemas de fertilização
- Aplicações ambientais
- Sistemas de pressurização
- Rega e agricultura
Dados Técnicos
Especificações Técnicas
| Tipo | Bomba centrífuga multicelular |
|---|---|
| Bomba multicelular horizontal, entrada axial e saída radial | Bomba multicelular horizontal, entrada axial e saída radial |
| Material | Aço Inoxidável AISI 304 (1.4301) |
| Vedação | Empanque mecânico SiC/Grafite |
| Proteção | IP 55 |
| Isolamento | Classe F |
| Máximo 20 arranques por hora | Máximo 20 arranques por hora |
Aplicações
- Ar condicionado e arrefecimento
- Limpeza industrial
- Tratamento de água (purificação)
- Aquacultura
- Sistemas de fertilização
- Aplicações ambientais
- Sistemas de pressurização
- Rega e agricultura
Características do Motor
| Velocidade Nominal | 2900 rpm |
|---|---|
| Tensão | 1~ 220-240V / 3~ 220-240V/380-415V |
| Eficiência | IE2 (1~) / IE3 (3~ >0.55kW) |
| Normas | ISO 9906, apêndice A |
Condições de Utilização
| Temp. do líquido | -15°C a 70°C |
|---|---|
| 70°C a 110°C | 70°C a 110°C |
| Temp. Ambiente | Máx. 52°C |
| Pressão Máxima | 10 bar |
| Tipo de líquido | Líquidos limpos, pouco espessos, não-inflamáveis, sem sólidos ou fibras |
Lista de Materiais
| Pos. | Descrição | Material | AISI / ASTM |
|---|---|---|---|
| 1 | Entrada | Aço inoxidável | AISI 304 |
| 2 | Bujão | Aço inoxidável | AISI 304 |
| 3 | Rolamento | Carboneto de Tungsténio | - |
| 4 | Impulsor | Aço inoxidável | AISI 304 |
| 5 | Veio | Aço inoxidável | AISI 304 |
| 7 | Saída | Aço inoxidável | AISI 304 |
| 8 | Empanque mecânico | SiC / Grafite | - |
| 9 | Tampa do motor | Alumínio | - |
| 10 | Base de apoio | Aço | AISI 1015 |
| 11 | Porca de aperto | Aço inoxidável | AISI 304 |
| 12 | Difusor | Aço inoxidável | AISI 304 |
| 13 | Suporte do difusor | Aço inoxidável | AISI 304 |
| 14 | Camisa do impulsor | Aço inoxidável | AISI 304 |
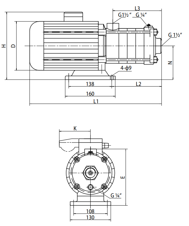
Dimensões - Série CHLF 2
Nota: Clique nas linhas da tabela para as destacar e comparar modelos.
| Modelo | L1 | L2 | L3 | H (1Ø) | H (3Ø) | D | K (1Ø) | Peso |
|---|---|---|---|---|---|---|---|---|
| CHLF 2-20 | 305 | 87 | 84 | 230 | 215 | 145 | 96 | 15 |
| CHLF 2-30 | 323 | 105 | 102 | 230 | 215 | 145 | 96 | 15 |
| CHLF 2-40 | 341 | 123 | 120 | 230 | 215 | 145 | 96 | 15 |
| CHLF 2-50 | 359 | 141 | 138 | 230 | 215 | 145 | 96 | 15 |
| CHLF 2-60 | 422 | 159 | 156 | 245 | 225 | 170 | 100 | 17 |
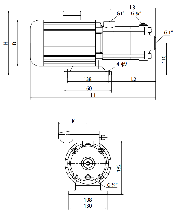
Dimensões - Série CHLF 4
Nota: Clique nas linhas da tabela para as destacar e comparar modelos.
| Modelo | L1 | L2 | L3 | H (1Ø) | H (3Ø) | D | K (1Ø) | Peso |
|---|---|---|---|---|---|---|---|---|
| CHLF 4-20 | 329 | 105 | 102 | 230 | 215 | 145 | 96 | 15 |
| CHLF 4-30 | 356 | 132 | 129 | 230 | 215 | 145 | 96 | 15 |
| CHLF 4-40 | 416 | 162 | 156 | 245 | 225 | 170 | 100 | 17 |
| CHLF 4-50 | 455 | 188 | 183 | 245 | 225 | 170 | 100 | 17 |
| CHLF 4-60 | 482 | 213 | 213 | 245 | 225 | 170 | 100 | 17 |
Dimensões - Série CHLF 8
Nota: Clique nas linhas da tabela para as destacar e comparar modelos.
| Modelo | L1 | L2 | L3 | H (1Ø) | H (3Ø) | D | K (1Ø) | Peso |
|---|---|---|---|---|---|---|---|---|
| CHLF 8-10 | 395 | 126 | 108 | 265 | 230 | 170 | 100 | 20 |
| CHLF 8-20 | 395 | 126 | 108 | 265 | 230 | 170 | 100 | 20 |
| CHLF 8-30 | 425 | 156 | 138 | 265 | 230 | 170 | 100 | 25 |
| CHLF 8-40 | 490 | 186 | 168 | 270 | 240 | 180 | 100 | 28 |
| CHLF 8-50 | 520 | 216 | 198 | 270 | 240 | 180 | 100 | 30 |
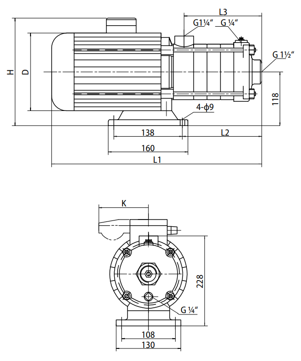
Dimensões - Série CHLF 12
Nota: Clique nas linhas da tabela para as destacar e comparar modelos.
| Modelo | L1 | L2 | L3 | H (1Ø) | H (3Ø) | D | E | N | K (1Ø) | Peso |
|---|---|---|---|---|---|---|---|---|---|---|
| CHLF 12-10 | 395 | 126 | 108 | 265 | 230 | 170 | 228 | 118 | 100 | 20 |
| CHLF 12-20 | 395 | 126 | 108 | 265 | 230 | 170 | 228 | 118 | 100 | 21 |
| CHLF 12-30 | 460 | 156 | 138 | 270 | 240 | 180 | 228 | 118 | 100 | 25 |
| CHLF 12-40 | 490 | 186 | 168 | 270 | 240 | 180 | 228 | 118 | 100 | 29 |
| CHLF 12-50 | 555 | 216 | 198 | 270 | 195 | 240 | 126 | 126 | 126 | 34 |
Performance - Série CHLF 2 (Q - Hm)
Nota: Clique nas linhas da tabela para as destacar e comparar modelos.
| Modelo | Detalhes do Motor | Caudal Q | ||||||||
|---|---|---|---|---|---|---|---|---|---|---|
| kW | HP | Amp (1~ / 3~) | m³/h | 0.5 | 1 | 1.5 | 2 | 2.5 | 3 | |
| CHLF 2-20 | 0,37 | 0,50 | 2.26 / 1.66-1.49 |
Hm (m)
|
19,0 | 18,0 | 16,5 | 15,0 | 13,0 | 10,0 |
| CHLF 2-30 | 0,37 | 0,50 | 3.65 / 2.20-2.11 | 28,0 | 26,5 | 24,5 | 22,0 | 19,0 | 15,5 | |
| CHLF 2-40 | 0,55 | 0,75 | 3.65 / 2.20-2.11 | 36,0 | 34,5 | 33,0 | 29,0 | 25,0 | 20,5 | |
| CHLF 2-50 | 0,55 | 0,75 | 3.65 / 2.20-2.11 | 45,5 | 43,0 | 40,0 | 36,0 | 31,5 | 26,5 | |
| CHLF 2-60 | 0,75 | 1,00 | 4.8 / 3.01-2.86 | 53,5 | 51,0 | 48,0 | 44,0 | 39,0 | 32,0 | |
Performance - Série CHLF 4 (Q - Hm)
Nota: Clique nas linhas da tabela para as destacar e comparar modelos.
| Modelo | Detalhes do Motor | Caudal Q | ||||||||
|---|---|---|---|---|---|---|---|---|---|---|
| kW | HP | Amp (1~ / 3~) | m³/h | 1 | 2 | 3 | 4 | 5 | 6 | |
| CHLF 4-20 | 0,37 | 0,50 | 3.65 / 2.2-2.11 |
Hm (m)
|
19,0 | 18,0 | 17,0 | 15,0 | 12,5 | 10,0 |
| CHLF 4-30 | 0,55 | 0,75 | 3.9 / 2.3-2.2 | 28,0 | 27,0 | 26,0 | 23,5 | 20,5 | 17,0 | |
| CHLF 4-40 | 0,75 | 1,00 | 4.8 / 3.01-2.86 | 37,5 | 36,0 | 34,0 | 31,0 | 27,0 | 23,0 | |
| CHLF 4-50 | 1,10 | 1,50 | 7.0 / 4.16-3.98 | 47,0 | 45,0 | 42,5 | 39,0 | 34,0 | 29,0 | |
| CHLF 4-60 | 1,10 | 1,50 | 7.0 / 4.16-3.98 | 56,0 | 54,0 | 51,0 | 47,0 | 41,5 | 35,5 | |
Performance - Série CHLF 8 (Q - Hm)
Nota: Clique nas linhas da tabela para as destacar e comparar modelos.
| Modelo | Detalhes do Motor | Caudal Q | ||||||||
|---|---|---|---|---|---|---|---|---|---|---|
| kW | HP | Amp (1~ / 3~) | m³/h | 5 | 6 | 7 | 8 | 9 | 10 | |
| CHLF 8-10 | 0,75 | 1,00 | 4.8 / 3.01-2.86 |
Hm (m)
|
10,0 | 9,5 | 9,3 | 9,0 | 8,0 | 7,5 |
| CHLF 8-20 | 0,75 | 1,00 | 4.8 / 3.01-2.86 | 20,0 | 19,5 | 19,0 | 18,0 | 17,0 | 15,5 | |
| CHLF 8-30 | 1,10 | 1,50 | 7.0 / 4.16-3.98 | 29,5 | 29,0 | 28,0 | 27,0 | 25,0 | 23,0 | |
| CHLF 8-40 | 1,50 | 2,00 | 9.1 / 5.96-5.37 | 39,0 | 38,0 | 37,0 | 35,0 | 33,0 | 30,5 | |
| CHLF 8-50 | 2,20 | 3,00 | 12.4 / 8.31-7.67 | 51,0 | 49,5 | 47,5 | 45,0 | 42,5 | 36,0 | |
Performance - Série CHLF 12 (Q - Hm)
Nota: Clique nas linhas da tabela para as destacar e comparar modelos.
| Modelo | Detalhes do Motor | Caudal Q | |||||||||||
|---|---|---|---|---|---|---|---|---|---|---|---|---|---|
| kW | HP | Amp (1~ / 3~) | m³/h | 7 | 8 | 9 | 10 | 11 | 12 | 13 | 14 | 15 | |
| CHLF 12-10 | 0,75 | 1,00 | 7-6.4 / 4.5-4.1 |
Hm (m)
|
11,5 | 11,2 | 11,0 | 10,5 | 10,0 | 9,5 | 9,0 | 8,0 | 7,0 |
| CHLF 12-20 | 1,20 | 1,60 | 7.6-7 / 4.9-4.5 | 23,0 | 22,5 | 22,0 | 21,5 | 20,5 | 19,5 | 18,5 | 17,0 | 15,5 | |
| CHLF 12-30 | 1,80 | 2,50 | 11-10.1 / 7.1-6.5 | 35,0 | 34,5 | 33,5 | 32,5 | 31,0 | 29,5 | 28,0 | 26,0 | 23,5 | |
| CHLF 12-40 | 2,40 | 3,50 | 14.6-13.4 / 9-8.3 | 47,0 | 46,0 | 45,0 | 43,5 | 41,5 | 39,5 | 37,5 | 35,0 | 31,5 | |
| CHLF 12-50 | 3,00 | 4,00 | - / 11-10 | 60,0 | 58,0 | 56,5 | 55,0 | 52,5 | 50,0 | 47,0 | 44,0 | 40,0 | |