Pressure Tanks without Membrane
JOVAL pressure tanks in 1.4301 (AISI 304) stainless steel, without internal membrane. Robust and durable solution for pressurized water storage, especially suitable for pressurization systems, irrigation, and water treatment. Available in vertical and horizontal versions, with capacities from 60 to 1000 liters.
Applications
- Urban and rural water supply.
- Industrial processes and pressurization systems.
- Agricultural irrigation and gardens.
- Hydropneumatic systems.
- Tratamento de águas
Technical Data
Technical Specifications
| Material | Stainless Steel AISI 304 (1.4301) |
|---|---|
| Membrane | Sem Membrana |
| Standards | European Directive 2014/68/EU (Pressure Equipment) |
Applications
- Urban and rural water supply.
- Industrial processes and pressurization systems.
- Agricultural irrigation and gardens.
- Hydropneumatic systems.
- Tratamento de águas
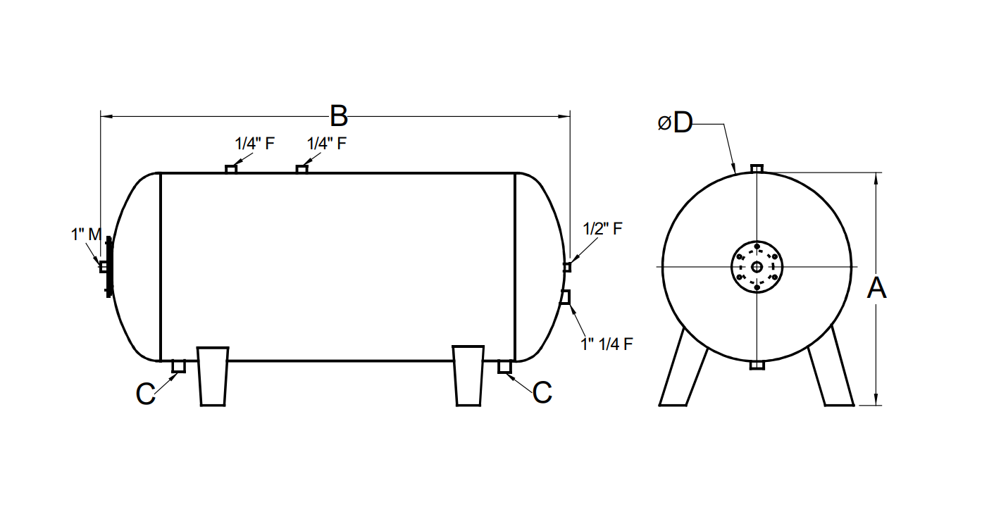
Dimensions and Models - Série V (Vertical)
Note: Click on table rows to highlight and compare models.
| Model | Height A (mm) | Connection Height (mm) | Inlet / Outlet C | Diameter D (mm) | Maximum Pressure (Bar) | Weight (kg) |
|---|---|---|---|---|---|---|
| 60 VI | 800 | 160 | 1" M | 400 | 8 | 10 |
| 100 VI | 1215 | 160 | 1" M | 400 | 8 | 15 |
| 150 VI | 1250 | 190 | 1" 1/4 M | 480 | 8 | 18,4 |
| 200 VI | 1500 | 195 | 1" 1/4 M | 480 | 6 | 21,8 |
| 300 VI | 1700 | 220 | 1" 1/4 M | 540 | 6 | 31,6 |
| 400 VI | 1600 | 220 | 1" 1/4 M | 635 | 6 | 50 |
| 600 VI | 2095 | 220 | 1" 1/4 M | 635 | 6 | 67 |
| 750 VI | 1950 | 220 | 2" M | 790 | 6 | 75 |
| 1000 VI | 2500 | 245 | 2" M | 790 | 6 | 85 |
Dimensions and Models - Série H (Horizontal)
Note: Click on table rows to highlight and compare models.
| Model | Length A (mm) | Connection Height (mm) | Inlet / Outlet C | Diameter D (mm) | Maximum Pressure (Bar) | Weight (kg) |
|---|---|---|---|---|---|---|
| 100 HI | 985 | 160 | 1" M | 400 | 8 | 14,2 |
| 200 HI | 1150 | 160 | 1" 1/4 M | 480 | 6 | 27 |
| 300 HI | 1300 | 190 | 1" 1/4 M | 540 | 6 | 33 |
Usage Conditions
- The system must include a pressure-limiting safety device.
- Recommended periodic verification (annually).
- Proibido perfurar ou soldar o reservatório
- 5-year warranty against manufacturing defects.